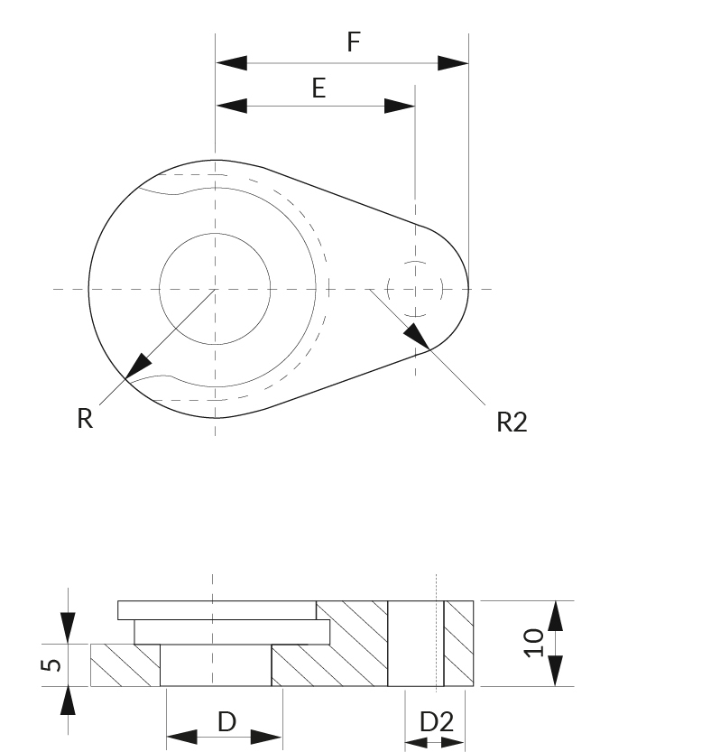
Brida para despegador de uretano con valona

Nombre:

Brida para despegador de uretano con valona

Ref:

RMTP


TIPOS DE MATERIAL

DUREZA

NORMA

FORMA DE PEDIDO

RMTP + D

PLANOS

DATOS TÉCNICOS

DATOS TÉCNICOS (CON GRADO)

PLANOS (CON GRADO)

DESCARGAS

INFORMACIÓN

Valido para porta punzones PPR


PRODUCTOS RELACIONADOS

PPR

HEAVY DUTY BALL LOCK PUNCH RETAINER


Últimas consultas

RMTC

HEADED URETHANE STRIPPER

RMTP

HEADLESS URETHANE STRIPPER RETAINER WITH COLLAR

RPBB

CYLINDRICAL HEAD PUNCH WITH EJECTOR

RPBX

CYLINDRICAL HEAD PUNCH WITH EJECTOR

RPGB

CONICAL HEAD PUNCH