CENTERING UNIT

Name:

CENTERING UNIT

Ref:

UCT


MATERIALS

HARDNESS

STANDARD

HOW TO ORDER

58-60 HRC / 55-57 HRC / 58-60 HRC UCT + W x L2

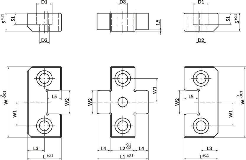
DRAWINGS

TECHNICAL DATA

TECHNICAL DATA 2

DRAWINGS 2

DOWNLOAD

INFORMATION


Last views

CGT

RECTANGULAR ADJUSTEMENT PLATE

UC

CENTERING UNIT

UCBD

CENTERING UNIT

UCD

CENTERING UNIT

UCG

CENTERING UNIT

UCH

CENTERING UNIT

UCL

CENTERING UNIT

UCT

CENTERING UNIT