BLOCO DE TRAVAMENTO

Nome:

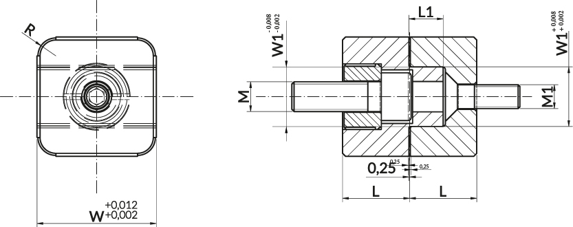
BLOCO DE TRAVAMENTO

Refª:

UCC


TIPOS DE MATERIAL

DUREZA

NORMA

FORMA DE ENCOMENDA

53HRC UCC + W

PLANOS

DADOS TÉCNICOS

DADOS TÉCNICOS (COM GRAU)

DESENHOS (COM GRAU)

DESCARREGAR

INFORMAÇÕES


Últimos pedidos de informação

BTB

LIFTING BRACKET

BTB

LIFTING BRACKET

BTF

LIFTING BRACKET

BTF

LIFTING BRACKET

CEH

LIFTING BRACKET

CEH

LIFTING EYE NUT

CEH

LIFTING BRACKET

ETW

LIFTING BRACKET

ETW

LIFTING BRACKET

JBB

BALL CAGE

ML3000

GAS SPRING

ML3000

GAS SPRING

NE16x2

GAS EJECTOR

NE16x2

GAS EJECTOR

OTB

COMPLETE LIFTING BRACKET

OTB

COMPLETE LIFTING BRACKET

TIC

CONICAL PLUG

UARR

LONG THREADED PLUG

UCC

CENTERING UNIT

UCZ

CENTERING UNIT

UCZD

CENTERING UNIT