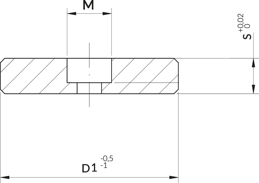
CHAPA DE PRESSÃO REDONDA

Nome:

CHAPA DE PRESSÃO REDONDA

Refª:

PJC


TIPOS DE MATERIAL

DUREZA

NORMA

FORMA DE ENCOMENDA

1.2842 PJC + D1 x S

PLANOS

DADOS TÉCNICOS

DADOS TÉCNICOS (COM GRAU)

DESENHOS (COM GRAU)

DESCARREGAR

INFORMAÇÕES


Últimos pedidos de informação

DM

FLANGE MOUNT

DM

FLANGE MOUNT

FBB

FLANGE MOUNT

FBB

FLANGE MOUNT

FBD

FLANGE MOUNT

FBD

FLANGE MOUNT

FCA

FLANGE MOUNT

FCA

FLANGE MOUNT

FCQC

FLANGE MOUNT

FCQC

FLANGE MOUNT

FS2

FLANGE MOUNT

FS2

FLANGE MOUNT

FSA

FLANGE MOUNT

FSA

FLANGE MOUNT

FSE

FLANGE MOUNT

FSE

FLANGE MOUNT

GM

FLANGE MOUNT

GM

FLANGE MOUNT

PJC

CIRCULAR ADJUSTEMENT PLATE